产品分类
产品详情您的位置:首页 > 供应产品 > 多轴力传感器 二维力传感器 三维力传感器 > 多轴力传感器LF-303M-40
![]() |
|
多轴力传感器LF-303M-40
产品特点及用途:
本产品可以分别测出空间多个方向的受力,具有高灵敏度,相互干扰小等优点。
可应用于铣床磨床加工过程中刀具多个方向受力检测,机器人抛光多轴力的检测。
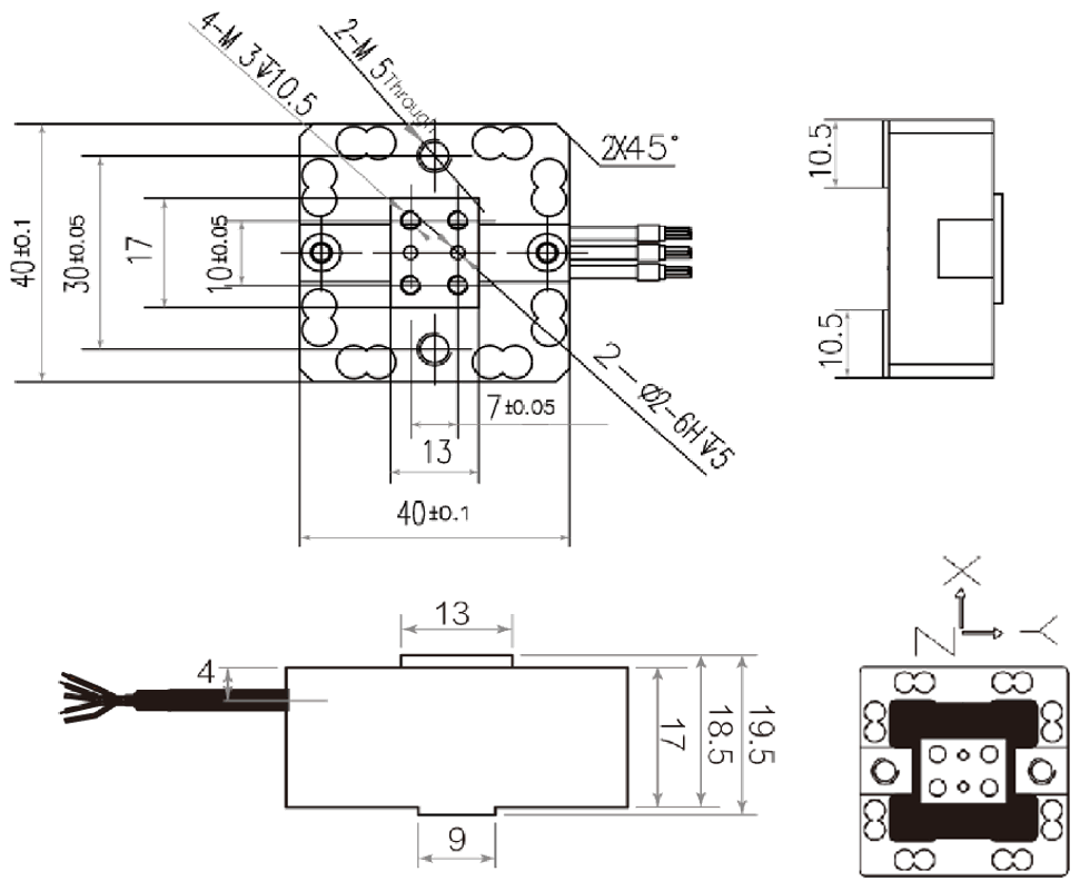
产品量程及尺寸图纸:


产品主要的技术参数:
|
量程 Capacity |
X:5/10/20/50/kg Y:5/10/20/50/100kg Z:5/10/20/50/100kg |
材质 Material |
不锈钢Stainless Steel |
|
输出灵敏度 Rated Output |
1.0-1.5mV/V |
输出电阻 Output Impedance |
700(350)± 3Ω |
|
零点输出 Zero Balance |
± 2 % F.S. |
绝缘电阻 Insulation |
≥5000MΩ/100VDC |
|
非线性 Non-linearity |
1.0% F.S. |
使用电压 Recommended Excitation |
5-10V |
|
滞后 Hysteresis |
1.0% F.S. |
使用电压不超过 Maximum Excitation |
15V |
|
重复性 Repeatability |
0.05% F.S. |
温度补偿范围 Compensated Temp Range |
- 10 ~ 60 ℃ |
|
蠕变 (30分钟) Creep (30min) |
0.05% F.S. |
工作温度 范围 Operating Temp Range |
- 20 ~ 80 ℃ |
|
温度灵敏度漂移 Temp Effect on Output |
0.05% F.S. / 10 ℃ |
安全超载 Safe Load Limit |
150% |
|
零点温度漂移 Temp Effect on Zero |
0.05% F.S. / 10 ℃ |
极限超载 Ultimate Load Limit |
200% |
|
输入电阻 Input Impedance |
700(350)±5Ω |
电缆线尺寸 Cable Size |
φ6x 3m |
|
电缆线连接方式 Wire Connection |
可按需定制 as request |
||
其他信息:
如您有其他的需要,如量程、尺寸、安装位置、内置变送器等其他要求,请于我们联系,我们可为您量身定做。
也欢迎您来我司莅临指导。
上一条:微型压式传感器LFC-40
下一条:单点式传感器LFP-16
- 多维力传感器,多轴力传感器怎么工作的呢2018-12-04
- 多通道普通型放大器外形图及技术参数2018-11-21
- 多轴力传感器的结构类别有哪些呢2018-06-25
- 多轴力传感器在汽车安全实验和机器人工业中的应用2017-12-04



