产品分类
产品详情您的位置:首页 > 供应产品 > 拉压式柱式传感器 > 柱式传感器LF-605
![]() |
|
产品特点及用途:
力准传感提供的柱式传感器具有高精度、高动态响应、大量程、体积小等特点。不锈钢材料,小体积使得具有较小的偏心误差。
毫伏信号输出,我司可帮忙配置放大器,显示仪表等相配套设施。
本产品可适用于按键手感度测试仪,冷热压机压力检测,机械人手抓力等领域。
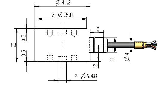
产品量程及尺寸图纸:

产品主要的技术参数:
量程
Capacity
0-1000kg
材质
Material
不锈钢Stainless Steel
输出灵敏度
Rated Output
2.0±10%mV/V
输出电阻
Output Impedance
350± 3Ω
零点输出
Zero Balance
± 2 % F.S.
绝缘电阻
Insulation
≥5000MΩ/100VDC
非线性
Non-linearity
0.1% F.S.
使用电压
Recommended Excitation
5-10V
滞后
Hysteresis
0.1% F.S.
最大使用电压
Maximum Excitation
15V
重复性
Repeatability
0.1% F.S.
温度补偿范围
Compensated Temp Range
- 10 ~ 60 ℃
蠕变 (30分钟)
Creep (30min)
0.05% F.S.
工作温度 范围
Operating Temp Range
- 20 ~ 80℃
温度灵敏度漂移Temp Effect on Output
0.05% F.S. / 10℃
安全超载
Safe Load Limit
150%
零点温度漂移
Temp Effect on Zero
0.05% F.S. / 10℃
极限超载
Ultimate Load Limit
300%
输入电阻
Input Impedance
385±5Ω
电缆线尺寸
Cable Size
φ 3 x 3m
电缆线连接方式
Wire Connection
Ex + : 红 Red; Ex - : 黑 Black; Sig + : 绿 Green; Sig - : 白 White
注意事项:
1.传感器为拉压两用模式
2.安装时请注意两端的同轴度小于0.05
3.压式使用时可以一端是硬连接,另一端受力
4.拉式使用最好是软连接
其他信息:
如您有其他的需要,如量程、尺寸、安装位置、内置变送器等其他要求,请于我们联系,我们可为您量身定做。
也欢迎您来我司莅临指导。
上一条:变送器放大器价格LZ-701
下一条:微型压式传感器LFC-12
- 柱式传感器的分类有哪些2018-10-16
- 柱式传感器和桥式传感器优缺点对比2018-10-12
- 柱式称重传感器的特点缺点2018-09-12
- 柱式传感器外形结构有哪些2018-06-22






