天堂а在线地址8最新版_天堂а√8在线最新版在线_天堂网在线最新版www_天堂网在线观看_中文在线а√天堂官网_中文在线最新版天堂8_天堂网www中文在线资源

六維力傳感器
當前位置: 首頁 - 產品展示 - 測力傳感器專區 - 六維力傳感器
六維力傳感器LF606F-D60-H27

產品名稱:六維力傳感器LF606F-D60-H27

品牌:力準傳感

型號:LF606F-D60-H27

應用范圍:主要應用在機器狗、拋光打磨機器人、搬運堆垛機器人或醫療機器人、民用機器人、組裝壓合設備機器人、鎖螺絲機設備機器人等各種類型的機器人等項目之中。

簡要描述:

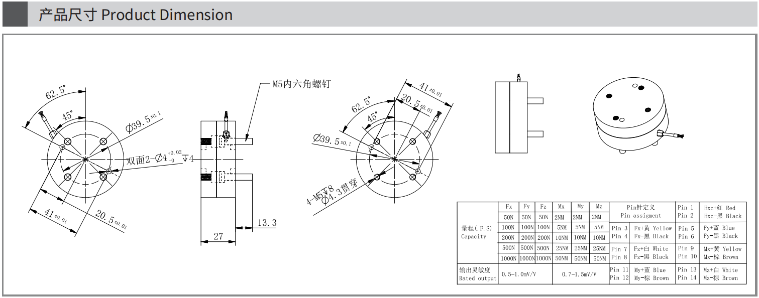
產品尺寸圖:其他信息與接線定義:其他信息:如您有其他的需要,如量程、尺寸、安裝位置、內置變送器等其他要求,請于我們聯系,我們可為您量身定做。也歡迎您來我司蒞臨指

詳細介紹

image.png


產品尺寸圖:

image.png


其他信息與接線定義:

image.png



其他信息:

如您有其他的需要,如量程、尺寸、安裝位置、內置變送器等其他要求,請于我們聯系,我們可為您量身定做。

也歡迎您來我司蒞臨指導。



 


產品咨詢

留言框

  • 產品名稱:

  • 留言內容:

  • 您的單位:

  • 您的姓名:

  • 聯系電話:

  • 常用郵箱:

  • 詳細地址:

推薦產品

Copyright ? 2013-2025 深圳市力準傳感技術股份有限公司 版權所有  粵ICP備18107338號-1

業務咨詢 聯系方式 公眾號

微信咨詢1

微信咨詢2

微信咨詢3

服務熱線

0755-8923 3819

力-準公眾號

掃一掃,關注我們